Husqvarna Lawn Mower Parts Near Me - Pin On Mower Parts Nation / Don't see your husqvarna riding mower model here?

Info Populer 2022

Husqvarna Lawn Mower Parts Near Me - Pin On Mower Parts Nation / Don't see your husqvarna riding mower model here?

Husqvarna Lawn Mower Parts Near Me - Pin On Mower Parts Nation / Don't see your husqvarna riding mower model here?
Husqvarna Lawn Mower Parts Near Me - Pin On Mower Parts Nation / Don't see your husqvarna riding mower model here?

Husqvarna Lawn Mower Parts Near Me - Pin On Mower Parts Nation / Don't see your husqvarna riding mower model here?. Green acres mowers offers a wide range on replacement parts for your lawn mower, lawn mowers, briggs and stratton, briggs & stratton engines, motors, mowers, victa parts, spark plugs, ngk, champion, honda lawn mower, rover, masport serivce kits, blades, start part. Keep your lawn mower running its best with parts and accessories from menards. To make your lawn mowing job done perfectly, you need the best husqvarna lawn mowers. .lawn mower sales, exmark mowers,snapperpro mowers, snapper mowers, simplicity mowers, push mowers, zero turn mowers, stihl chainsaws, stihl parts, echo trimmers, echo blowers, honda parts, honda gx parts, small engine repair, paint sprayers, graco parts, titan parts, billy goat parts. Click on an alphabet below to see the full list of models starting with that letter

Belt holder riding mower mower parts craftsman about me blog tractor artisan lawn mower tractors. User manuals, husqvarna lawn mower operating guides and service manuals. Lawn mower parts & accessories. Don't see your husqvarna riding mower model here? Each item was designed for everyday use by those who maintain the green spaces and urban forests in our communities.

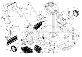
Husqvarna Mower Parts
Husqvarna Mower Parts from www.ahupd.com
A wide variety of husqvarna lawn mowers options are available to you, such as. Compare up to 3 riding mowers side by side by clicking the compare button on the models you want to see to add them to the list on the right. Zero turn mower model & serial number. Lawn mower parts & accessories. We have riding mowers from husqvarna, simplicity, and snapper. Get free shipping on qualified husqvarna lawn mower spark plugs or buy online pick up in store today in the outdoors department. Browse genuine spare parts and order directly from husqvarna via our online spare parts catalog. The best parts for your mower you find here!

Whether you need a new air.

Great savings & free delivery / collection on many items. From husqvarna chainsaw parts to carburetors with parts lookup. Check out our products catalog. Working in concert with pulleys, they help turn the blade. Husqvarna lawn mower spindles are an integral part of the blades transmission system. Buy husqvarna lawnmower parts and get the best deals at the lowest prices on ebay! To make your lawn mowing job done perfectly, you need the best husqvarna lawn mowers. Need help replacing the mulch door (part # 532419927) in your husqvarna lawn mower? Whether you need a new air. Try our husqvarna lawn mower parts lookup to search the entire husqvarna parts catalog by model number or part number. For professional landscapers to homeowners we have the lawnmower parts for you. Click on an alphabet below to see the full list of models starting with that letter Husqvarna lawnmower parts collectable riding lawnmowers.

We have riding mowers from husqvarna, simplicity, and snapper. The husqvarna model number, part number, and serial number tag can be located on the frame near the left rear wheel. Husqvarna lawn mowers parts offers you exclusively oem parts. Husqvarna lawn mower parts near me looking to buy or repair an outdoor power equipment find your nearest local. Genuine husqvarna replacement part, this item is sold individually.

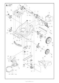
Lawn Mower Parts Blades Power Cables Bolts More All Mower Parts Uk
Lawn Mower Parts Blades Power Cables Bolts More All Mower Parts Uk from www.allmowerparts.co.uk
Husqvarna lawn mower parts that fit, straight from the manufacturer. Husqvarna 532420019 lawn mower mulching door genuine original equipment manufacturer (oem) part. Husqvarna lawn mower parts near me looking to buy or repair an outdoor power equipment find your nearest local. Looking to buy automower® robotic lawn mower? Husqvarna lawn mower spindles are an integral part of the blades transmission system. Mowers at jacks is the place to get your new riding lawn mower. Husqvarna parts available online and ready to ship direct to your door. 1,114 husqvarna lawn mowers products are offered for sale by suppliers on alibaba.com, of which electrical wires accounts for 10%, lawn mower accounts for 3%, and agriculture machinery parts accounts for 2%.

If your lawn mower is broken, partselect.com can help.

Need help replacing the mulch door (part # 532419927) in your husqvarna lawn mower? User manuals, husqvarna lawn mower operating guides and service manuals. Husqvarna lawn tractors and riding mowers. And 250 million in lawnmower parts, we know lawnmower parts. Looking to buy automower® robotic lawn mower? Husqvarna was founded in 1689 as a weapons factory, and since then has cemented itself as a global leader in the manufacturing of outdoor power products including lawn mowers, chainsaws, lawn tractors, trimmers, and zero turn mowers. Look no further than lawn mower pros for the largest selection of quality. Collection by outdoor power parts. Genuine husqvarna replacement part, this item is sold individually. We have riding mowers from husqvarna, simplicity, and snapper. Find great deals on ebay for husqvarna lawn mower parts. Belt holder riding mower mower parts craftsman about me blog tractor artisan lawn mower tractors. Green acres mowers offers a wide range on replacement parts for your lawn mower, lawn mowers, briggs and stratton, briggs & stratton engines, motors, mowers, victa parts, spark plugs, ngk, champion, honda lawn mower, rover, masport serivce kits, blades, start part.

Click on an alphabet below to see the full list of models starting with that letter Check out our products catalog. See more ideas about husqvarna, mower, mower parts. Find great deals on ebay for husqvarna lawn mower parts. Husqvarna lawn tractors and riding mowers.

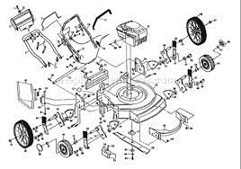
Lawnmower Sales Service St Marys Pa Steve S Lawnmower
Lawnmower Sales Service St Marys Pa Steve S Lawnmower from cdn.shopify.com
Each item was designed for everyday use by those who maintain the green spaces and urban forests in our communities. From husqvarna chainsaw parts to carburetors with parts lookup. Find great deals on ebay for husqvarna lawn mower parts. Husqvarna was founded in 1689 as a weapons factory, and since then has cemented itself as a global leader in the manufacturing of outdoor power products including lawn mowers, chainsaws, lawn tractors, trimmers, and zero turn mowers. For professional landscapers to homeowners we have the lawnmower parts for you. The husqvarna model number, part number, and serial number tag can be located on the frame near the left rear wheel. To make your lawn mowing job done perfectly, you need the best husqvarna lawn mowers. 7 days for free return.

Compare up to 3 riding mowers side by side by clicking the compare button on the models you want to see to add them to the list on the right.

Are you looking for genuine oem and aftermarket husqvarna parts? Blowers chain saws tillers walk behind lawn mowers lawn tractors and riding mowers snow throwers trimmers zero turn mowers. Lawn mower parts & accessories. Husqvarna lawn mowers parts offers you exclusively oem parts. With gardenas innovative robot mowers, the lawn mowing is done automatically without your supervision. Browse genuine spare parts and order directly from husqvarna via our online spare parts catalog. Buy husqvarna lawnmower parts and get the best deals at the lowest prices on ebay! Keep your lawn mower running its best with parts and accessories from menards. Compare up to 3 riding mowers side by side by clicking the compare button on the models you want to see to add them to the list on the right. Send us an email to sales@husqvarna.lawnmowers.parts. Your replacement parts shop online. Zero turn mower model & serial number. User manuals, husqvarna lawn mower operating guides and service manuals.

Advertisement

Iklan Sidebar